Caricare documenti e articoli online 
INFtub.com è un sito progettato per cercare i documenti in vari tipi di file e il caricamento di articoli online.


Meneame
 
Non ricordi la password?  ››  Iscriviti gratis
 

IMPIANTO ELETTRICO ED ELETTRONICO

tecnica



IMPIANTO ELETTRICO ED ELETTRONICO



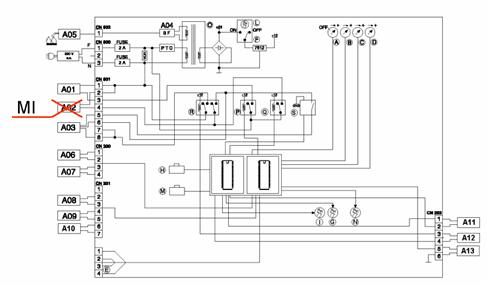
Schema elettrico:

scheda BT1 - BT2 - BT2X





A


B

C

D


E

F

G


H

I


L

M

N


O

P

Q

R

S


= Regolazione temperatura riscaldamento

= Regolazione temperatura sanitario

= Regolazione lenta accensione

= Regolazione massima temperatura riscaldamento

= Connettore orologio programmatore

= Pulsante ON/OFF

= Led segnalazione anomalie evacuazione fumi

= Deviatore Estate/Inverno

= Led segnalazione mancata accensione

= Led Acceso/Spento

= Pulsante di sblocco

= Led di segnalazione di funzionamento Estate/Inverno

= Trasformatore

=Relé circolatore

= Relé ventilatore

= Relé valvola gas

= Optotriac accenditore



A01

A02

A03

A04

A05

A06

A07

A08

A09

A10

A11


A12

A13


= Circolatore

= Ventilatore

= Alimentazione accenditore-valvola gas

= Circuito rivelazione fiamma

= Sensore fiamma

= Sonda riscaldamento

= Sonda sanitario

= Rivelatore di flusso

= Pressostato di minima pressione

= Modulatore

= Pressostato fumi (FFI)- sonda fumi (MI)

= Termostato di sovratemperatura

= Programmatore orario/Termostato Ambiente

Colori:

Gr = Grigio

Bi = Bianco

Rs = Rosso

Mr = Marrone

Bl = Blu

Ro = Rosa





Note:





6.1.1.b





1.1.1 Tabella funzioni

FUNZIONE

MI

FFI

2.1 CONTROLLO ELETTRONICO ACCENSIONE

x

x

2.2 GESTIONE VENTILAT./PRESS. FUMI


x

2.3 SICUREZZA ESPULSIONE FUMI

x


2.4 PILOTAGGIO ACCENDITORE

(1)

(1)

2.5 CONTROLLO SENSORE FIAMMA

x

x

2.6 CONTROLLO ARRESTO DI BLOCCO

x

x

2.7 PROTEZIONE ELETTRONICA POMPA



2.7 POSTCIRCOLAZIONE

x

x

2.7 RITARDATORE AVVIO POMPA IN RIS



2.7 RELÈ GESTIONE VALVOLA 3 VIE



3.1 CONTROLLO LENTA ACCENSIONE

x

x

3.2 REGOLAZIONE MAX. POT. RIS.

x

x

3.3 RITARDATORE RIACCENSIONE RIS.

(2)

(2)

3.4 JUPITER SELEZ. POMPA ON IN INVERNO 626j99g



3.5 SELETTORE ESCLUSIONE ANTIGELO



3.6 SELETTORE RICIRCOLO SANITARIO

(3)

(3)

4.1 MODULAZIONE CONTINUA RIS.

x

x

4.2 MODULAZIONE CONTINUA SAN.

x

x

4.3 CONTROLLO SONDA TEMP. BOILER



4.4 TERM. SIC. ELETTRONICO

x

x

4.4 CONN. OROLOGIO A BASSA TENSIONE

x

x

4.5 CONNETTORE INTERFACCIA SPLIT



4.6  SELETTORE EST/INV

x

x

4.7 FUNZIONE ANTIGELO

x

x

4.8 FUNZIONE RICIRCOLO SU IMPIANTO

(4)

(4)

5.1 CONNETTORE DIAGNO 626j99g SI



5.2 TERMOMETRO A LEDS



5.3 LED FUNZIONE ON/OFF

x

x

5.3 LED TERMOSTATO LIMITE



5.3 LED BLOCCO

x

x

5.3 LED CONTROLLO EVACUAZIONE FUMI

x

x

5.3 LED PROTEZ. POMPA



6.3 LED SELEZIONE ESTATE/INVERNO 626j99g

x

x


(1)

SOLO CONNETTORE PER PILOTAGGIO ESTERNO 626j99g

(2)

RITARDO FISSO 2 MINUTI

(3)

SOLO BT2

(4)

SOLO SU BT2, BT2X



Note:


Note:



1.2 ALIMENTAZIONE ELETTRICA

La tensione minima di alimentazione deve essere di 185 VCA, sotto questo valore si hanno problemi sull'accenditore (scintilla debole), sul ventilatore (diminuiscono sensibilmente il numero dei giri e di conseguenza il segnale aria al pressostato) la valvola gas non garantisce la perfetta apertura degli operatori.

Non necessita il rispetto della polarizzazione (fase neutro).

Nel caso di alimentazione fase/fase non si dovrebbero verificare problemi, se si ha una cattiva rilevazione fiamma disponiamo del kit rifasatore il quale ha il compito di ripristinare il potenziale dell'elettrodo di rilevazione.

La scheda è protetta, tramite un filtro, dai disturbi elettromagnetici provenienti dalla rete di alimentazione i quali possono alterare il normale ciclo di funzionamento. Il filtro ha anche il compito di bloccare i disturbi che la scheda emette, salvaguardando cosi' il buon funzionamento delle apparecchiature elettroniche presenti nelle abitazioni.

Doppio fusibile da 2 Ampere su fase e neutro per la protezione dai corto circuiti dei componenti alimentati ad alta tensione (ventilatore, valvola gas, accenditore, valvola deviatrice, pompa).

Led (I/0) per la presenza di alimentazione (se i fusibili sono interrotti, non si accende).

Non è presente in caldaia l'interruttore bipolare fase/neutro, la scheda rimane sotto tensione.

VDR per sbalzi di tensione (parafulmine) fino a 260 VCA, quando interviene si verifica la messa in cortocircuito fase/neutro con distruzione dei due fusibili, lo stato permane sino a quando non si elimina la VDR dal circuito stampato e si sostituiscono i fusibili.

PTC è una protezione in corrente per la bassa tensione. Quando si supera l'assorbimento massimo delle schede (70 mA ), indice di un componente avariato (transistor, relè, trasformatore, ecc.), si riscalda aumentando la sua resistenza ed interrompe l'alimentazione a tutta la centralina (EA).

Dopo circa un minuto, quando il PTC si è raffreddato, la scheda EA torna ad essere alimentata ma si ripete lo stesso ciclo di prima.

Trasformatore di alimentazione con doppio circuito sul secondario, uno per alimentare le centraline, l'altro utilizzato per il circuito di rilevazione.


Note:


1.3 LOGICA E SICUREZZE

1.3.1 fase di reset/ arresto di sicurezza (versioni MI - FFI)

All'inizio di ogni fase di accensione la scheda opera una serie di controlli interni e degli attuatori; in caso di mal funzionamento si determina uno stop della caldaia fino a quando il mal funzionamento stesso non verrà rimosso (arresto di sicurezza).

Alcuni controlli restano poi attivi anche durante tutte le altre fasi di funzionamento del sistema.

Controlli effettuati su:

circuiti interni di comando;

sistema rilevazione fiamma;

pilotaggio ventilatore (FFI);

pressostato fumi (FFI);

pilotaggio valvola gas;

pompa/ flussostato acqua;



controlli temperature;

pilotaggio sistema di blocco;

relè di memoria blocco;

tasto di sblocco;

protezione fumi (MI).


Note:





































6.3.3



1.3.2 Gestione pressostato fumi (versione FFI)

Il controllo del ventilatore viene effettuato tramite la commutazione del pressostato fumi (PF).

Nella fase di reset il PF non deve essere in posizione normalmente aperto (NO 626j99g ); allo start ventilatore, il led giallo si accende finché il pressostato fumi non commuta in NO 626j99g . Dopo la commutazione in NO 626j99g del PF, si avvia  la fase di accensione del bruciatore. Durante il funzionamento si determina un arresto di sicurezza se il PF esce dalla posizione NO 626j99g (colpo di vento).

Non è prevista la funzione Postventilazione.

1.3.3 Sicurezza espulsione fumi (versioni MI)

Alimentando la scheda, si attiva il sistema di controllo della corretta espulsione dei fumi combusti tramite sensore elettronico di temperatura (sonda fumi).

L'intervento della "protezione fumi" determina l'arresto di sicurezza della scheda e l'accensione di un apposito led di segnalazione (giallo).

Tale intervento può essere causato da tre diverse situazioni:

sonda scollegata o interrotta;

sonda cortocircuitata;

sovratemperatura sonda

La soglia d'intervento della sonda fumi è tarata a 64°C.

Nel primo caso la protezione è immediata e rimane attiva finché non viene ripristinata la sonda; le altre due situazioni determinano, dopo 30 secondi di persistere di tale stato, un intervento temporizzato della protezione: solo dopo 12 minuti la protezione viene automaticamente disattivata.




Note:













1.3.4 Accenditore

Le schede Mi e FFI sono predisposte per pilotare un accenditore esterno.


1.3.5 Rilevazione di fiamma (versioni FFI - MI)

La presenza di fiamma viene rilevata controllando la corrente di ionizzazione tramite una apposita candeletta.

Un cortocircuito della candeletta di rilevazione verso terra determina un arresto di sicurezza. La corrente minima di ionizzazione è di circa 0,5 mA;

la tensione tra elettrodo e massa è di 110Vac;

la resistenza minima tra elettrodo, massa e cavo è >=60 Mohm.

Non è necessaria la polarizzazione fase neutro per la rilevazione.






1.3.6 Arresto di blocco (versioni FFI - MI)

Una assenza di fiamma durante la fase di accensione superiore al tempo di sicurezza determina un arresto di blocco della scheda.

L'arresto di blocco è a memoria permanente e viene mantenuto anche in assenza di alimentazione elettrica.

Lo sblocco è effettuabile premendo il tasto di riarmo e rilasciandolo successivamente.


Note:











1.3.7 Gestione circolatore

Il circolatore è gestito tramite apposito relè in piastra e con "pressostato di minima" in bassa tensione.

Il pressostato "di minima" impedisce l'accensione del bruciatore (sia in riscaldamento che in sanitario) se la pressione dell'acqua nel circuito primario è insufficiente.

Nel modo funzionamento riscaldamento è previsto un sistema di sicurezza legato al circolatore rispetto all'apertura della valvola a gas tale che l'abilitazione della valvola stessa ( e ventilatore per versioni FFI) può avvenire solo se il pressostato di minima è chiuso (cioè dà consenso).

  • Sulle schede BT2: in modo sanitario selezionato (commutazione flussostato sanitario), il circolatore rimane fermo; si attiva solo per circa 1 secondo al termine del prelievo.

In modo riscaldamento selezionato (consenso Orologio/Termostato ambiente in modo inverno) il circolatore è attivo e a fine consenso mantiene una postcircolazione di circa 5 minuti, sia per fine richiesta Orol./term.amb. che per passaggio in modo estate. Una richiesta sanitario annulla istantaneamente la postcircolazione.

  • Sulle schede BT2: in modo sanitario selezionato (commutazione flussostato sanitario), il funzionamento del circolatore dipende dallo stato del selettore "ricircolo"
    • Selettore in posizione "A": il circolatore viene attivato per tutta la durata del prelievo sanitario
    • Selettore in posizione "B": il circolatore rimane fermo

Sulle schede BT2X: il selettore non è presente e il circolatore rimane fermo

Al termine del prelievo sanitario, se la caldaia è in modo inverno, con richiesta di orologio/termostato ambiente, allora si attiva il circolatore per 2 minuti (sistema ricircolo su impianto)

In modo riscaldamento selezionato (consenso Orologio/Termostato ambiente in modo inverno) il circolatore è attivo e a fine consenso mantiene una postcircolazione di circa 5 minuti. Sia per fine richiesta Orologio/termostato ambiente che per passaggio in modo estate. Una richiesta sanitario annulla istantaneamente la postcircolazione.



Note:





































6.4.5




1.4 REGOLAZIONI

1.4.1 Controllo lenta accensione

Sulla scheda è presente un trimmer per la taratura della max. potenza in fase di accensione (L.ACC.); taratura iniziale versione MI 5,2 mBar (76mA), versione FFI 8,0 mBar (92mA).

1.4.2 Massima potenza di riscaldamento

Sulla scheda è presente un trimmer per la taratura della massima potenza riscaldamento (MAX RIS).

Taratura iniziale a 70% della massima potenza.

1.4.3 Controllo ritardo accensione riscaldamento

Il ritardo è fissato a due minuti per la riaccensione della caldaia dopo una termostatazione in modo riscaldamento e dopo la commutazione del selettore da estate ad inverno.

1.4.4 Selezione "ricircolo sanitario" (solo BT2)

Il selettore è un jumper a due posizioni che permette di ottenere i seguenti modi di funzionamento:

  • Selettore in posizione "A": il circolatore viene attivato per tutta la durata del prelievo sanitario
  • Selettore in posizione "B": il circolatore rimane fermo durante il funzionamento in sanitario

1.4.5 Controllo temperature

La scheda controlla le temperature dei circuiti riscaldamento e sanitario tramite due sonde NTC e due potenziometri di regolazione di tipo rotativo a 270°.

N.B. in questa caldaia le 2 sonde non sono intercambiabili


1.4.6 Modo riscaldamento

Selezione temperature:     MIN = 42°C

MAX = 78°C

La scheda pilota alla max potenza fino a 4°C prima della temperatura obiettivo sulla sonda mandata; quindi passa al minimo della potenza e spegne 4°C oltre il valore impostato. La riaccensione avviene con un differenziale di 4°C e un ritardo di 2 minuti (vedere par. 6.4.3).

T max (sonda ris.) = 88°C

Note:











1.4.7 Modo sanitario

Selezione temperature:     MIN = 36°C

MAX = 56°C

La scheda pilota alla max potenza fino a 4°C prima della temperatura obiettivo sulla sonda mandata; quindi modula fino al minimo della potenza.

Se il fabbisogno calorico del sistema diventa inferiore alla minima potenza regolabile, il controllo non spegne la caldaia ma resta al minimo fino allo spegnimento limite in sanitario (61°C) per evitare frequenti on-off della caldaia. Lo spegnimento limite indipendente dal potenziometro di regolazione, è:

T max (sonda sanit.) = 61°C attivo solo in modo sanitario.


1.4.8 Termostato sicurezza - orologio - term. Amb.

Sono collegati alla scheda attraverso i contatti del connettore bassa tensione.

Un apposito connettore consente inoltre di collegare alla scheda anche un orologio dalle seguenti caratteristiche:

tensione di alimentazione:  3Vdc

assorbimento:   5mA (max)

segnale di abilitazione:  tipo CMOS (H=STOP/L=RICHIESTA)

L'intervento del termostato sicurezza a riarmo manuale determina un blocco della caldaia. Per riavviare il sistema occorre che la temperatura ritorni entro i valori di normale esercizio e che venga effettuato lo sblocco tramite il tasto di riarmo, che si accende contemporaneamente al led intervento termp. sic.

Se la caldaia va in sovratemperatura, il termostato di sicurezza chiude il gas e la caldaia va in blocco per mancata rilevazione fiamma: questa situazione è segnalata dall'accensione di due led rossi, quello del termostato di sicurezza e quello di stato di blocco. Attenzione! se viene tolta e poi ridata la corrente, rimane acceso solo il led di stato di blocco, e si perde l'informazione dell'intervento del termostato di sicurezza.


1.4.9 Selettore modo di funzionamento

Il selettore tipo "push" permette di ottenere i seguenti modi di funzionamento:

ESTATE  rilasciato (solo sanitario)

INVERNO 626j99g   premuto (attivi sia riscaldamento che sanitario)

Non sono previsti invece i seguenti modi di funzionamento:

SOLO RISCALDAMENTO

SPAZZACAMINO 626j99g

1.4.10 Funzione "antigelo"

La funzione antigelo è gestita attraverso la sonda riscaldamento.

Se la sonda riscaldamento rileva una temperatura inferiore a 3°C, viene attivata la caldaia (circolatore attivo) alla minima potenza, indipendentemente da altri controlli, fino a quando la temperatura della sonda riscaldamento raggiunge i 33°C. Tale funzione è attiva anche in modo estate.

1.4.11 Funzione "ricircolo su impianto"

Al termine di un prelievo sanitario, il controllo elettronico effettua una postcircolazione di 2 minuti (bruciatore quindi spento); ciò avviene solo se la caldaia aveva comunque una richiesta di riscaldamento dell'impianto (cioè in modo inverno e orologio / term. Amb. Attivi).

Note:
































1.5 DIAGNO 626j99g SI - VISUALIZZAZIONI

1.5.1 Connettore diagnosi

Il connettore non è presente sulle schede.

1.5.2 Segnalazioni varie

Tramite leds, sono visualizzati i seguenti stati:

scheda attiva ON (verde)

(notare che il led verde indica che c'è alimentazione dei circuiti in bassa tensione)

intervento protezione fumi (MI) oppure mancanza consenso pressostato fumi (FFI) (giallo).

stato di blocco (rosso)

intervento klixon "termostato di sicurezza" (rosso)

La ricerca guasti è guidata dallo schema funzionale riportato nelle tavole sottostanti. Le tavole esprimono, attraverso illustrazioni, la sequenza logica di funzionamento della caldaia.

Partendo dall'alimentazione elettrica della caldaia, prima figura a sinistra della riga centrale, proseguire sulla stessa riga se c'è una figura adiacente o sulla riga superiore od inferiore a seconda del modello della caldaia e del modo riscaldamento o sanitario. Proseguire poi sulla stessa riga alta o bassa se ci sono figure adiacenti, o tornare alla riga centrale per spostarsi ancora a destra (verso della freccia) fino a che non si giunge alla fine del diagramma



Note:







6.5.2








Privacy




Articolo informazione


Hits: 6115
Apprezzato: scheda appunto

Commentare questo articolo:

Non sei registrato
Devi essere registrato per commentare

ISCRIVITI



Copiare il codice

nella pagina web del tuo sito.


Copyright InfTub.com 2025